Transmissores de pressão diferencial capacitivos são dispositivos essenciais na instrumentação industrial moderna e na automação de processos . Eles utilizam tecnologia avançada de detecção capacitiva para medir pressão diferencial, manométrica e absoluta com alta precisão e estabilidade a longo prazo. Ao contrário dos sensores de pressão mecânicos tradicionais, esses transmissores não possuem mecanismos de transmissão mecânica móveis , o que os torna compactos, duráveis e altamente resistentes à vibração. Os ajustes independentes de zero e span garantem precisão sem interferência mútua, contribuindo para sua ampla utilização em todos os setores.

Na China, muitas cidades introduziram linhas de produção da empresa americana Rosemount , produzindo diversos modelos para medição de pressão diferencial , pressão manométrica e pressão absoluta . Algumas unidades também incluem extração de raiz quadrada para medição de vazão , juntamente com versões projetadas para aplicações de alta pressão estática e micropressão diferencial .
Um transmissor de pressão diferencial capacitivo normalmente consiste em duas unidades principais: uma seção de medição e uma seção de conversão/amplificação , conforme mostrado na Figura 1 .

Figura 1: Diagrama do circuito do transmissor de pressão diferencial capacitivo
1—Oscilador 2—Sensor capacitivo 3—Demodulador 4—Ajuste de alcance 5—Limitador de corrente
6—Amplificador de potência 7—Amplificador operacional 8—Ajuste de zero e migração de zero
9—Amplificador de controle de oscilação 10—Fonte de tensão de referência 11—Regulador de tensão 12—Proteção contra inversão de polaridade
O sensor capacitivo converte a pressão diferencial medida (ΔP) em uma variação na capacitância. Os capacitores diferenciais alto e baixo, C H e C L , são excitados por um oscilador de alta frequência . As variações de corrente resultantes são demoduladas para produzir sinais diferenciais ( i L − i H ) e sinais de modo comum ( i L + i H ).
O sinal diferencial é comparado ao sinal de feedback ( I f ), então amplificado e convertido em uma saída CC de 4-20 mA . Essa corrente de saída flui através da resistência de carga e da rede de feedback, mantendo uma relação linear entre o sinal diferencial e a corrente de saída.
O sensor capacitivo consiste em uma placa de eletrodo fixa e um diafragma de medição móvel, formando dois capacitores ( C H e C L ) conectados às câmaras de alta e baixa pressão. Quando a pressão diferencial é aplicada, o diafragma desvia, alterando as capacitâncias. O oscilador de alta frequência (tipicamente 32 kHz) converte essas mudanças de capacitância em variações de corrente, que são amplificadas e retificadas para gerar um sinal CC de 4-20 mA proporcional à pressão diferencial aplicada ΔP.
Quando o transmissor é usado para medição de vazão — como com placas de orifício, tubos Venturi ou bicos — o sinal é passado por um extrator de raiz quadrada para obter uma relação linear com a vazão. O dispositivo opera em um sistema de dois fios de 24 V CC , suportando tensões de alimentação de 12 a 45 V CC e resistências de carga de até 600 Ω .
O sensor de pressão diferencial capacitivo de duas câmaras é mostrado na Figura 2 .

Figura 2: Estrutura de duas câmaras do sensor capacitivo de pressão diferencial
1, 4—Diafragma de isolamento com padrão de onda; 2, 3—Base de aço inoxidável; 5—Camada de vidro; 6—Película metálica; 7—Diafragma de medição
Nesta estrutura, os filmes metálicos (6) atuam como eletrodos fixos, enquanto o diafragma de medição (7) atua como eletrodo móvel. Ambos os lados do diafragma formam duas câmaras separadas preenchidas com óleo de silicone . O fluido incompressível transmite a pressão diferencial Δp = p_H − p_L para as superfícies do diafragma.
Quando Δp = 0, as capacitâncias em ambos os lados ( C H e C L ) são iguais. Quando Δp ≠ 0, o diafragma desvia para o lado de baixa pressão, fazendo com que C L > C H .
O uso de capacitância diferencial reduz erros causados por variações de temperatura na constante dielétrica, melhorando assim a sensibilidade, a precisão e a linearidade — fatores importantes no controle de processos industriais e na medição de pressão .
Quando Δp ≠ 0, a variação da capacitância é ilustrada na Figura 3 .

Figura 3: Mudanças de capacitância em ambos os lados quando existe pressão diferencial
Equações: 

Para um diafragma com tensão inicial, a deflexão é proporcional à pressão diferencial: 
Aqui, K ₁ é uma constante estrutural que depende da curvatura do diafragma, do espaçamento dos eletrodos e da tensão mecânica. Essa relação garante que a corrente de saída seja diretamente proporcional à pressão diferencial aplicada, proporcionando excelente precisão de medição.
O sensor de pressão capacitivo converte a pressão diferencial em uma variação proporcional da capacitância. A medição dessa capacitância requer excitação CA de alta frequência , normalmente em torno de 32 kHz .

Figura 4: Circuito do oscilador Figura 5: Fonte de alimentação do oscilador
Circuito oscilador (Figura 4)
O circuito é composto por enrolamentos (terminais 6, 8 e 5, 7) e um capacitor C₂₀ formando um loop ressonante conectado a um transistor VT₁. O resistor de polarização R₂₉ define o ponto de operação estático. A frequência é determinada pela indutância L e pela capacitância C.
Fonte de alimentação do oscilador (Figura 5)
Como a medição de capacitância depende da tensão CA, a tensão do oscilador deve permanecer estável . Um circuito de controle de feedback negativo estabiliza automaticamente a tensão, garantindo amplitude inicial suficiente.

Conforme mostrado na Figura 6 , o circuito de geração de corrente capacitiva e a rede de formação de tensão mantêm excitação constante.

Figura 6: Circuito de geração de corrente capacitiva e circuito de formação de tensão U ₂
Quando Δp ≠ 0, C_H diminui e C_L aumenta, e a corrente total através de ambos é expressa como:

O feedback automático garante que I L + I H = K₂ (uma constante), mantendo a estabilidade da tensão e a sensibilidade consistente.
No circuito de geração de corrente capacitiva: ![]()
![]()
![]()
Substituindo relacionamentos anteriores: 
Corrente de saída total: ![]()
Assim, o sinal de saída de 4-20 mA do transmissor de pressão diferencial capacitivo é diretamente proporcional à pressão diferencial aplicada.
O dispositivo também fornece ajuste de zero , calibração de faixa e proteção contra polaridade reversa , garantindo operação estável e segura em sistemas de medição de pressão industrial .
Os transmissores de pressão da série SH produzidos pela silverinstrumens.com são transmissores de pressão de dois fios de 4-20 mA amplamente utilizados, projetados para ambientes intrinsecamente seguros e à prova de explosão .
Especificações principais

Figura 7: Relação entre a tensão de alimentação e a resistência da carga
Quando a tensão de alimentação flutua em ±1 V, a variação da corrente de saída permanece abaixo de 0,005%, garantindo estabilidade do sinal e alta precisão .
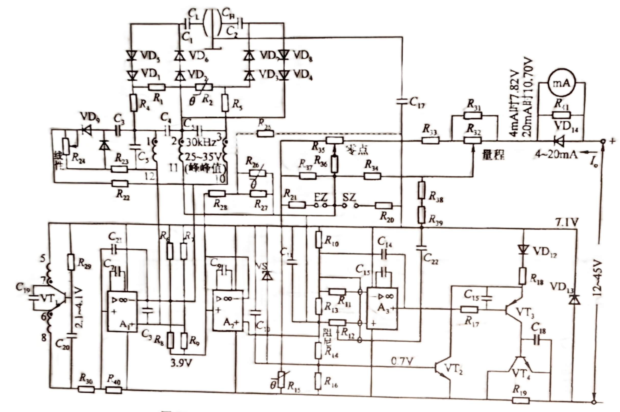
O circuito geral do transmissor de pressão diferencial SHGP/SHDP é mostrado na Figura 8

Figura 8: Projeto do circuito do transmissor de pressão capacitivo/DP da série SH
Principais componentes e funções:
Esses elementos garantem um desempenho preciso e estável em diversas condições industriais, tornando a série SHGP/SHDP um dos transmissores de pressão diferencial capacitivos mais confiáveis para controle de processos e instrumentação em todo o mundo.
Sensor de pressão capacitivo 33512018/12/07Sensor de pressão capacitivo ou sensor de pressão diferencial 3351; Precisão: ± 0,1%; 0-40Mpa;
Transmissores de baixa pressão2025/04/03Transmissor de baixa pressão: 16-60 mbar.
Transmissor de pressão e DP com diafragma de flange2017/04/12Transmissor de diafragma de flange.
Transmissor de pressão com selos de diafragma remotos2017/04/12Diafragma remoto para fluidos corrosivos ou viscosos.
Transmissor de pressão série SH 3082017/04/26O custo da pressão piezoresistiva é baixo;
Sensor de pressão de cerâmica2025/04/02Sensor de pressão capacitivo de cerâmica.